• Spedizioni nazionali ed internazionali

Motore Lombardini 25LD 330/2

Motore Diesel Lombardini 25LD 330/2

Il motore diesel Lombardini 25LD 330/2 è un motore a 4 tempi, raffreddato ad aria, ideale per applicazioni agricole e industriali come motoagricole, betoniere, miniescavatori e generatori. 

Dotato di iniezione diretta, lubrificazione forzata e avviamento elettrico, offre prestazioni affidabili e durature. La sua struttura robusta, con basamento in alluminio e cilindri in ghisa, assicura resistenza e lunga durata, mentre la regolazione della velocità è gestita da un correttore di coppia centrifugo.

Tabella Responsive
Caratteristica Valore
Marca Lombardini
Alimentazione Diesel
Cilindri 2
Alesaggio (mm) 80
Corsa (mm) 65
Cilindrata (cm3) 654
Tipo di iniezione DI
Sequenza di compressione (gradi) 19:1
Tabella Responsive
Caratteristica Valore
Marca Lombardini
Alimentazione Diesel
Cilindri 2
Alesaggio (mm) 80
Corsa (mm) 65
Cilindrata (cm3) 654
Tipo di iniezione DI
Sequenza di compressione (gradi) 19:1

Il motore diesel Lombardini 25LD 330/2 è un motore a 4 tempi, raffreddato ad aria, progettato per offrire prestazioni elevate in una vasta gamma di applicazioni agricole e industriali. Grazie alla sua versatilità, è utilizzato in motoagricole, betoniere, dumper, miniescavatori, motocompressori, piastre vibranti, rulli compattatori, trattori 4x4, generatori, gruppi frigo e piattaforma aeree. 

 

Questo motore è dotato di un sistema di iniezione diretta che garantisce un'efficienza ottimale e un consumo di carburante contenuto. La lubrificazione forzata, con pompa e filtro olio interno a passaggio totale, assicura una protezione continua dei componenti, riducendo l'usura e aumentando la durata nel tempo.

 

Il motore Lombardini 25 LD 330/2 è progettato con un basamento portante a tunnel in alluminio pressofuso, che conferisce leggerezza e resistenza alla struttura e con cilindri indipendenti in ghisa rialesabili, che offrono robustezza e longevità. Il regolatore di velocità centrifugo a masse ottimizza la potenza erogata, adattandola alle necessità specifiche dell'applicazione. L'avviamento elettrico, insieme al supplemento automatico di combustibile per l'avviamento, rende il motore particolarmente facile da utilizzare anche in condizioni difficili. 

Con il motore Lombardini 25 LD 330/2, affidabilità, efficienza e durata sono garantite, offrendo un supporto ideale per i professionisti in settori diversi.

Curve di potenza


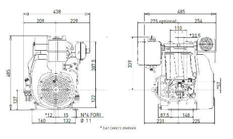
Dimensioni (mm)


Tabella Responsive
Prestazioni
Conformità normativa emissioni ECE R 24
Potenza (kW/HP)*Curve potenza
N (80/1269/CEE)ISO 1585 12.0/16.3
N ISO 3046 IFN 11.2/15.2
N ISO 3046 ICXN 10.3/14.0
Coppia massima (Nm@giri/min) 32.0@2400
Regime min. a vuoto (giri/min) 1000
Tabella Responsive
Caratteristiche fisiche
AxLxP (ventola esclusa) (mm) 485x485x438
Peso a secco (kg) 60
Lato manutenzione - posizione lato unico
Temperatura ambiente d'utilizzo (°C) -5° +45°
Massima inclinazione ammissibile (intermittente - 30 min) (gradi) 25°
Massima inclinazione ammissibile (tempo massimo -1 min) (gradi) 35°
Portata aria combustione @3600 l/min 1050/875
Portata aria raffreddamenento @3600 l/min 11700/9750
Tabella Responsive
Manutenzione
Capacità serbatoio (l) 4
Capacità olio lubrificante (l) 1.5
Consumo olio (kg/h) 0.007
Intervallo sostituzione olio (ore) 250
Intervallo sostituzione filtro olio (ore) 250
Intervallo registrazione gioco valvole (ore) 500
Lubrificante Olio SAE 15W 40API CF4/SG ACEA B2/E2
Calculated Generator-Set Rating Table
Potenza
Freq. (Hz) RPM Modello motore Potenza Meccanica Potenza elettrica intermittaente Potenza elettrica continua Flangiature
Stand-by (kW-HP) Prime (kW-HP) kVA kW kVA kW cono Ø
50 3000 25LD 330/2 9.4 - 13.5 8.5 - 11.6 10 8 9 7.2 30
50 3600 25LD 330/2 11.2 - 15.2 10.2 - 13.8 11.9 9.5 10.7 8.6 30
Tabella Responsive
Caratteristiche fisiche
AxLxP (ventola esclusa) (mm) 485x485x438
Peso a secco (kg) 60
Lato manutenzione - posizione lato unico
Temperatura ambiente d'utilizzo (°C) -5° +45°
Massima inclinazione ammissibile (intermittente - 30 min) (gradi) 25°
Massima inclinazione ammissibile (tempo massimo -1 min) (gradi) 35°
Portata aria combustione @3600 l/min 1050/875
Portata aria raffreddamenento @3600 l/min 11700/9750
Tabella Responsive
Prestazioni
Conformità normativa emissioni ECE R 24
Potenza (kW/HP)*Curve potenza
N (80/1269/CEE)ISO 1585 12.0/16.3
N ISO 3046 IFN 11.2/15.2
N ISO 3046 ICXN 10.3/14.0
Coppia massima (Nm@giri/min) 32.0@2400
Regime min. a vuoto (giri/min) 1000
Tabella Responsive
Manutenzione
Capacità serbatoio (l) 4
Capacità olio lubrificante (l) 1.5
Consumo olio (kg/h) 0.007
Intervallo sostituzione olio (ore) 250
Intervallo sostituzione filtro olio (ore) 250
Intervallo registrazione gioco valvole (ore) 500
Lubrificante Olio SAE 15W 40API CF4/SG ACEA B2/E2
Tabella Responsive
Potenza
Freq. (Hz) RPM Modello motore Potenza Meccanica Potenza elettrica intermittaente Potenza elettrica continua Flangiature
Stand-by (kW-HP) Prime (kW-HP) kVA kW kVA kW cono Ø
50 3000 25LD 330/2 9.4 - 13.5 8.5 - 11.6 10 8 9 7.2 30
50 3600 25LD 330/2 11.2 - 15.2 10.2 - 13.8 11.9 9.5 10.7 8.6 30

Hai bisogno di ricambi
per questo motore?

Spedizioni nazionali
ed internazionali

assistenza
pre e post vendita

oltre 35 anni di
esperienza