• Spedizioni nazionali ed internazionali

Motore Lombardini 25LD 425/2

Motore Diesel Lombardini 25 LD 425/2

Il motore diesel Lombardini 25LD 425/2 da 19 HP è ideale per applicazioni agricole e industriali. 

Questo motore, raffreddato ad aria e con sistema di iniezione diretta, offre affidabilità in macchinari come motoagricole, betoniere, miniescavatori e generatori. Con un sistema di lubrificazione forzata, avviamento elettrico e un design robusto, questo motore garantisce prestazioni elevate, durata e facilità di manutenzione.

Tabella Responsive
Caratteristica Valore
Marca Lombardini
Alimentazione Diesel
Cilindri 2
Alesaggio (mm) 85
Corsa (mm) 75
Cilindrata (cm3) 851
Tipo di iniezione DI
Sequenza di compressione (gradi) 19:1
Tabella Responsive
Caratteristica Valore
Marca Lombardini
Alimentazione Diesel
Cilindri 2
Alesaggio (mm) 85
Corsa (mm) 75
Cilindrata (cm3) 851
Tipo di iniezione DI
Sequenza di compressione (gradi) 19:1

Il motore diesel Lombardini 25LD 425/2 da 19 HP è un motore a 4 tempi, raffreddato ad aria, progettato per rispondere alle esigenze di potenza e affidabilità in molteplici applicazioni, soprattutto nel settore agricolo e delle costruzioni. Il motore è equipaggiato con iniezione diretta, che garantisce una combustione efficiente e un sistema di alimentazione con pompa combustibile meccanica. La lubrificazione forzata con pompa assicura un funzionamento continuo e senza problemi, mentre il filtro olio interno a passaggio totale ne migliora la durata e l’affidabilità nel tempo.

 

Il motore Lombardini 25 LD 425/2 è costruito con un basamento portante a tunnel in alluminio pressofuso e testate indipendenti in lega d’alluminio, che garantiscono una maggiore resistenza alle sollecitazioni e una gestione termica ottimale. Inoltre, la rotazione antioraria e la presenza di prese di moto sia sull’albero motore che sul lato, lo rendono estremamente versatile e facile da adattare a diverse applicazioni.

Il sistema di raffreddamento ad aria forzata, combinato con un supplemento automatico di combustibile per l’avviamento, assicura che il motore possa essere avviato in maniera rapida e sicura, anche in condizioni di lavoro difficili. Il motore Lombardini 25LD 425/2 è dotato anche di un correttore di coppia e di un regolatore di velocità centrifugo a masse, che ne ottimizzano le performance. Con una manutenzione relativamente semplice e un design robusto, il Lombardini 25 LD 425/2 è un motore ideale per chi cerca prestazioni elevate e durata nel tempo in ambienti di lavoro dinamici.

Curve di potenza


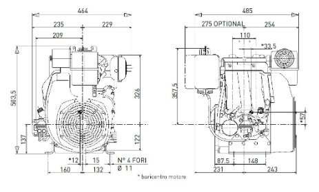
Dimensioni (mm)


Tabella Responsive
Prestazioni
Conformità normativa emissioni ECE R 24
Potenza (kW/HP)*Curve potenza
N (80/1269/CEE)ISO 1585 14.0/19.0
N ISO 3046 IFN 13.0/17.7
N ISO 3046 ICXN 12.0/16.3
Coppia massima (Nm@giri/min) 42.0.0@2200
Regime min. a vuoto (giri/min) 1000
Tabella Responsive
Caratteristiche fisiche
AxLxP (ventola esclusa) (mm) 503.5x485x464
Peso a secco (kg) 63
Lato manutenzione - posizione lato unico
Temperatura ambiente d'utilizzo (°C) -5° +45°
Massima inclinazione ammissibile (intermittente - 30 min) (gradi) 25°
Massima inclinazione ammissibile (tempo massimo -1 min) (gradi) 35°
Portata aria combustione @3600 l/min 1330/1110
Portata aria raffreddamenento @3600 l/min 14200/11835
Tabella Responsive
Manutenzione
Capacità serbatoio (l) 4
Capacità olio lubrificante (l) 1.7
Consumo olio (kg/h) 0.0085
Intervallo sostituzione olio (ore) 250
Intervallo sostituzione filtro olio (ore) 250
Intervallo registrazione gioco valvole (ore) 500
Lubrificante Oil SAE 10W 40 API CF4/SG ACEA B2/E2
Calculated Generator-Set Rating Table
Potenza
Freq. (Hz) RPM Modello motore Potenza Meccanica Potenza elettrica intermittaente Potenza elettrica continua Flangiature
Stand-by (kW-HP) Prime (kW-HP) kVA kW kVA kW cono Ø
50 3000 25LD 425/2 11.5 - 15.6 10.5 - 14.2 12.2 9.8 11 8.8 30
50 3600 25LD 425/2 13.0 - 17.7 11.8 - 16.1 13.7 11 12.3 9.9 30
Tabella Responsive
Caratteristiche fisiche
AxLxP (ventola esclusa) (mm) 503.5x485x464
Peso a secco (kg) 63
Lato manutenzione - posizione lato unico
Temperatura ambiente d'utilizzo (°C) -5° +45°
Massima inclinazione ammissibile (intermittente - 30 min) (gradi) 25°
Massima inclinazione ammissibile (tempo massimo -1 min) (gradi) 35°
Portata aria combustione @3600 l/min 1330/1110
Portata aria raffreddamenento @3600 l/min 14200/11835
Tabella Responsive
Prestazioni
Conformità normativa emissioni ECE R 24
Potenza (kW/HP)*Curve potenza
N (80/1269/CEE)ISO 1585 14.0/19.0
N ISO 3046 IFN 13.0/17.7
N ISO 3046 ICXN 12.0/16.3
Coppia massima (Nm@giri/min) 42.0.0@2200
Regime min. a vuoto (giri/min) 1000
Tabella Responsive
Manutenzione
Capacità serbatoio (l) 4
Capacità olio lubrificante (l) 1.7
Consumo olio (kg/h) 0.0085
Intervallo sostituzione olio (ore) 250
Intervallo sostituzione filtro olio (ore) 250
Intervallo registrazione gioco valvole (ore) 500
Lubrificante Oil SAE 10W 40 API CF4/SG ACEA B2/E2
Tabella Responsive
Potenza
Freq. (Hz) RPM Modello motore Potenza Meccanica Potenza elettrica intermittaente Potenza elettrica continua Flangiature
Stand-by (kW-HP) Prime (kW-HP) kVA kW kVA kW cono Ø
50 3000 25LD 425/2 11.5 - 15.6 10.5 - 14.2 12.2 9.8 11 8.8 30
50 3600 25LD 425/2 13.0 - 17.7 11.8 - 16.1 13.7 11 12.3 9.9 30

Hai bisogno di ricambi
per questo motore?

Spedizioni nazionali
ed internazionali

assistenza
pre e post vendita

oltre 35 anni di
esperienza