• Spedizioni nazionali ed internazionali

Motore Lombardini LDW 2204T

Motore Diesel Lombardini serie LDW 2204T

Il motore Lombardini LDW 2204 turbo, con 63.9 hp, è raffreddato a liquido e appartiene alla tecnologia CHD. Robusto e potente, è ideale per applicazioni professionali come motoagricole, betoniere, generatori e trattori 4x4. 

Grazie al turbocompressore Mitsubishi, al sistema di lubrificazione forzata e alle numerose prese di forza, offre prestazioni elevate e affidabilità.

Tabella Responsive
Caratteristica Valore
Marca Lombardini
Alimentazione Diesel
Cilindri 4
Alesaggio (mm) 88
Corsa (mm) 90.4
Cilindrata (cm3) 2204
Tipo di iniezione IDI
Sequenza di compressione (gradi) 22.5:1
Tabella Responsive
Caratteristica Valore
Marca Lombardini
Alimentazione Diesel
Cilindri 4
Alesaggio (mm) 88
Corsa (mm) 90.4
Cilindrata (cm3) 2204
Tipo di iniezione IDI
Sequenza di compressione (gradi) 22.5:1

Il motore Lombardini LDW 2204 turbo, con una potenza di 63.9 hp, è un motore diesel 4 tempi raffreddato a liquido che appartiene alla rinomata tecnologia CHD, sviluppata per garantire efficienza, prestazioni elevate e durata nel tempo

Grazie alla robustezza della sua costruzione e alla potenza erogata, è ideale per numerose applicazioni professionali e industriali, in particolare per l’uso su macchine e attrezzature che richiedono affidabilità e performance superiori; trova ampio impiego in una vasta gamma di applicazioni, tra cui motoagricole, betoniere, piastre vibranti, rulli compattatori, taglia asfalto, generatori, gruppi frigo, saldatrici, motoscope, piattaforme aeree, carri raccoglifrutta, trattori 4x4 e pale caricatrici compatte. 

Caratterizzato da un turbocompressore Mitsubishi TD 025L, questo motore è in grado di offrire un'erogazione di potenza eccellente anche nelle situazioni più gravose e la distribuzione monoalbero con aste, bilancieri e punterie idrauliche, unita al comando distribuzione ad ingranaggi, assicura un funzionamento ottimale e una riduzione delle manutenzioni

Il sistema di lubrificazione forzata con pompa a lobi, il filtro olio esterno a passaggio totale e la pompa acqua e ventilatore posizionabili garantiscono efficienza e facilità di manutenzione; grazie al supplemento automatico di combustibile per l’avviamento, al regolatore di velocità centrifugo e al correttore di coppia, il motore LDW 2204 assicura un funzionamento sempre ottimale, riducendo al minimo i consumi e i costi operativi.

Curve di potenza


Rumorosità


Tabella Responsive
Prestazioni
Conformità normativa emissioni ECE R 24
Potenza (kW/HP)*Curve potenza
N (80/1269/CEE)ISO 1585 38.0/51.7
N ISO 3046 IFN 34.5/46.9
N ISO 3046 ICXN 32.0/44.0
Coppia massima (Nm@giri/min) 144@2000
Regime min. a vuoto (giri/min) 900
Tabella Responsive
Caratteristiche fishce
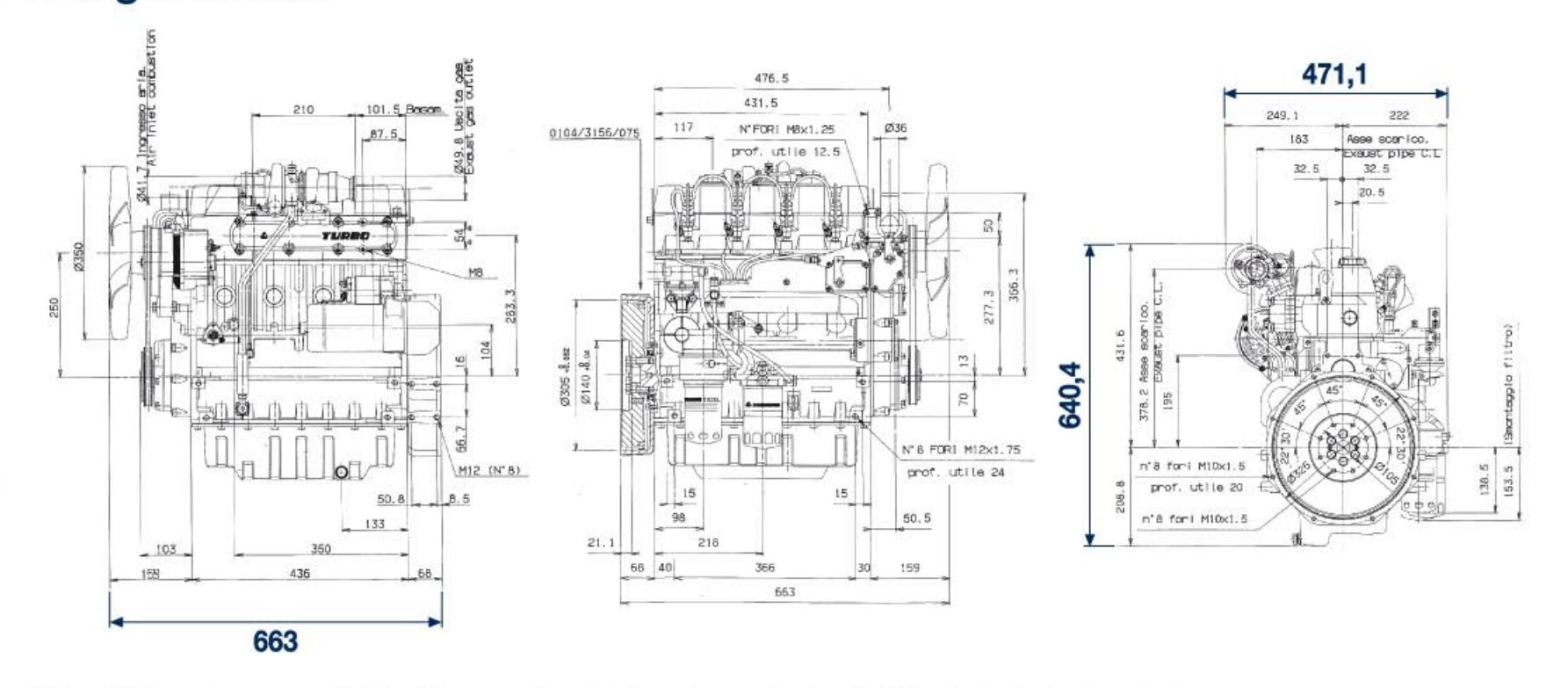
AxLxP (ventola esclusa) (mm) 593.15x663x445
Peso a secco (kg) 192
Temperatura ambiente d'utilizzo (°C) -15° +50°
Massima inclinazione ammissibile (intermittente - 30 min) (gradi) 25°
Massima inclinazione ammissibile (tempo massimo -1 min) (gradi) 35°
Portata aria combustione @3600 l/min 3300
Portata aria raffreddamenento @3600 l/min 128
Tabella Responsive
Manutenzione
Capacità coppa olio (l) con ecquilibratore dinamico 4.5
Capacità coppa olio (l) senza ecquilibratore dinamico 5.7
Consumo Olio (kg/h) 0,025
Intervallo sostituzione olio (ore) 250
Intervallo sostituzione filtro olio (ore) 250
Intervallo sostituzione gioco valvole (ore) 500
Lubrificante SAE 5W40
Coppia massima (Nm) terza presa di forza 39.2 @3000 giri/min

Dimensioni (mm)


Tabella Responsive
Caratteristiche fisiche
AxLxP (ventola esclusa) (mm) 593.15x663x445
Peso a secco (kg) 192
Temperatura ambiente d'utilizzo (°C) -15° +50°
Massima inclinazione ammissibile (intermittente - 30 min) (gradi) 25°
Massima inclinazione ammissibile (tempo massimo -1 min) (gradi) 35°
Portata aria combustione @3600 l/min 3300
Portata aria raffreddamenento @3600 l/min 128
Tabella Responsive
Prestazioni
Conformità normativa emissioni ECE R 24
Potenza (kW/HP)*Curve potenza
N (80/1269/CEE)ISO 1585 38.0/51.7
N ISO 3046 IFN 34.5/46.9
N ISO 3046 ICXN 32.0/44.0
Coppia massima (Nm@giri/min) 144@2000
Regime min. a vuoto (giri/min) 900
Tabella Responsive
Manutenzione
Capacità coppa olio (l) con ecquilibratore dinamico 4.5
Capacità coppa olio (l) senza ecquilibratore dinamico 5.7
Consumo Olio (kg/h) 0,025
Intervallo sostituzione olio (ore) 250
Intervallo sostituzione filtro olio (ore) 250
Intervallo sostituzione gioco valvole (ore) 500
Lubrificante SAE 5W40
Coppia massima (Nm) terza presa di forza 39.2 @3000 giri/min

Hai bisogno di ricambi
per questo motore?

Spedizioni nazionali
ed internazionali

assistenza
pre e post vendita

oltre 35 anni di
esperienza